การออกแบบ ระบบกรองน้ำ ในสระว่ายน้ำ

สำหรับวันนี้จะแนะนำการออกแบบระบบกรองน้ำอย่างง่ายสำหรับ ระบบกรองน้ำสระว่ายน้ำ

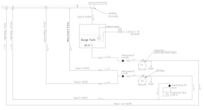
การออกแบบงานระบบ จะใช้ การเขียนแบบ Schematic ซึ่งรูปแบบการทำงานจะต้องคิดถึงการไหลเวียนของน้ำแบบครบวงจร คือ ดูดน้ำไปยังระบบกรอง หากน้ำยังใช้ได้ ก็นำกลับไปใช้ หากใช้ไม่ได้แล้ว ก็ระบายทิ้ง

อุปกรณ์ ในการออกแบบ

1. ปั้ม ( Filter Pump ) มีหน้าที่ ดูดน้ำจาก รูระบายน้ำหลักลงไปสู่ ถังกรอง และยังท่อเชื่อมกับท่อดูด เพื่อการทำความสะอาดได้โดยใส่วาล์วควบคุมทิศทางการไหลของน้ำ

2. ถังกรองทราย ( Sand Filter ) ตัวนี้ถ้าต้องการให้น้ำสะอาดมาก อย่างสระว่ายน้ำให้ใส่เป็น D.E. Filter แต่มีราคาแพงกว่า และ ยุ่งยากกว่า เพราะ ยากต่อการทำระบบ Auto Backwash

3. หัวดูดน้ำ ( Vacuum Fitting ) สำหรับ ต่อท่อ เพื่อ ดูดน้ำและสิ่งสกปรก ในการทำความสะอาดบ่อ ระยะห่างเท่ากับรัศมี ของสายดูด สูงสุดที่มีขายในท้องตลาดคือคือ 50 ฟุต

4. หัวจ่ายน้ำ ( Inlet Fitting ) ยิ่งจุดปล่อยน้ำเยอะก็จะทำให้มีน้ำไหลเวียนเยอะ จะทำให้ ไม่มีจุดที่เป็น dead zone หรือบริเวณที่ไม่มีการไหลเวียนของน้ำ แต่ถ้าเยอะไปก็เปลือง ท่อนะครับ

5. ท่อระบายน้ำหลัก ( Main Drain ) สำหรับ ระบายน้ำและระบบหมุนเวียน น้ำในบ่อ กำหนดให้มีอย่างต่ำ 2 จุดเพื่อความปลอดภัยในกรณีที่มีคนอยู่ในบ่อ

6. ถังพักน้ำ ( Surge Tank ) ไว้สำหรับพักน้ำ บริเวณ ราง Gutter เพื่อ รวมน้ำเพื่อให้ปั้มสามารถทำงานได้ ควรมีชุด make up water เพื่อรักษาระดับของน้ำ ( ป้องกันปั้มพังในกรณีที่ไม่มีน้ำให้ดูด )

7. ถังเติมคลอลีน ( Salt chlorinator ) สำหรับ เติมสารคลอลีนเพื่อลด การเกิดตะไคร่ในน้ำ ถ้ามี cost น้อยให้ ใช้เป็นถังเก็บสารคลอลีนแล้วใช้ pump feed จะประหยัดกว่า

ส่วนเรื่องการกำหนดสเป็คหรือขนาดท่อ จะยังไม่สอนวันนี้นะครับ จะสอนคร่าวๆเกี่ยวกับรูปแบบการทำงาน

สำหรับตัวอย่าง ที่ให้มาจะเป็นการ ออกแบบ 2 loop เพื่อเป็นระบบ กรองหลัก และ ระบบกรองย่อยที่บริเวณราง Gutter นะครับ ที่ทำแยกกัน ส่วนหนึ่งเพื่อ รักษาระบบให้น้ำมันปริ่มขอบอยู่ตลอดเวลาครับ

ลองนำไปศึกษาดู สงสัยตรงไหนก็คอมเมนท์มาถามกันได้นะครับ


ตัวอย่าง คลิ๊กที่ภาพเพื่อขยายขนาดภาพ

บทความที่ได้รับความนิยม